熱門關鍵詞: 溫濕度傳感器廠家 熱敏電阻器品牌 空調溫度傳感器 功率型ntc熱敏電阻器
(一)基本原理:
數字顯示(電子)溫度中的溫度傳感元件,目前主要采用P-N型半導體、PT100鉑電阻和NTC熱敏電阻,從測溫原理上來說,他們都有一個共同的特性就是自身材料的阻值能夠隨溫度變化而變化(P-N結的伏安特性具有-2.2mv/℃特性)。NTC熱敏電阻的電阻溫度系數大、反應速度快、一致性好、可靠性高、具有較高的性價比,所以,近十多年來數字(電子)顯示溫度計得到了非常廣泛的應用,其中數字顯示體溫計因其讀數直觀、準確、方便、使用安全,迅速取代了玻璃水銀溫度計。
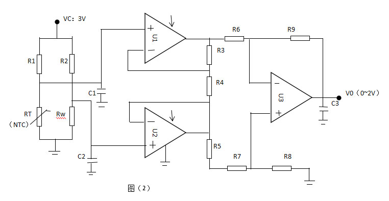
用NTC熱敏電阻作為溫度數據采集系統的數字(電子)顯示溫度計的基本工作原理如圖(1)所示。

NTC熱敏電阻作為溫度數據采集的最前端輸入,進入放大電路進行充分的放大處理后,進入CPU中的A/D變換電路,高位雙積分式的A/D電路將采集到的溫度值(模擬)轉換成精細的數字bit信號,再給CPU的一系列運作變換處理驅動顯示出來,實現對被測物體的溫度實時顯示。
(二)NTC熱敏電阻的應用方法:
根據設計精度、分辨率和溫度范圍等要求,選擇材料常數(B值)較高的,測溫區間線性度較好的,響應速度封裝尺寸符合要求的NTC熱敏電阻;由于要便于攜帶和小體積使用扣式電池供電,電路上偏置電壓都很小(一般為2V),這往往和設計要求的精度和分辨率有較大沖突,因此要特別注意盡量減小系統誤差帶來的影響,前置放大要足夠大。具體設計時注意:
(1)NTC熱敏電阻的自熱效應盡量要小,即NTC熱敏電阻的偏置電流盡量小(uA~mA級)。
(2)NTC熱敏電阻的額定阻值盡可能要準,即一般選精度>5%的品種。
(3)以所選的
NTC熱敏電阻的R25值來校正整個系統的基準溫度。
(4)做好非線性的校正。